MMG600WQ100PD6T7

MACMIC IGBT GWQ MODULES.png
  • 产品特点
  • 拓扑
  • 应用领域
  • 规格参数

产品特点

恒行5 M7i 芯片技术

低 Vce(sat) 的同时拥有低开关损耗

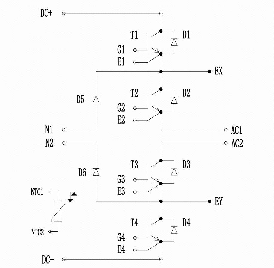
拓扑

微信截图_20241031081251.png

应用领域

光伏逆变器

储能逆变器

规格参数

Type MMG600WQ100PD6T7
VCES (V) 1000
IC (A) 600
Technology M7i
Configruation 3-level I-NPC/三电平 I-NPC
Features 平板基板
VCE (sat) (V) 1.80
RthJC (K/W) 0.097
Packages GWQ
恒行5很乐意为您提供帮助

寻找您对恒行5所需要的帮助与支持,选择最适合您的解决方案以开始使用