焊机&感应加热
-
行业需求
-
行业应用方案
-
产品选型推荐
行业需求
感应加热行业对 IGBT 模块的需求正呈现出蓬勃的增长态势。作为功率转换领域的核心器件,IGBT 模块以其卓越的性能,高效地实现了电能向热能的精准转换,从而满足了金属工件在加热过程中对于快速且均匀加热的严苛要求。随着科技的日新月异,感应加热行业对 IGBT 模块的要求也在不断提升,高效率、高可靠性以及定制化解决方案成为了行业发展的新标杆。这些需求的增长,无疑为 IGBT 模块市场注入了强劲的动力,推动了其市场规模的持续扩大。
行业应用方案
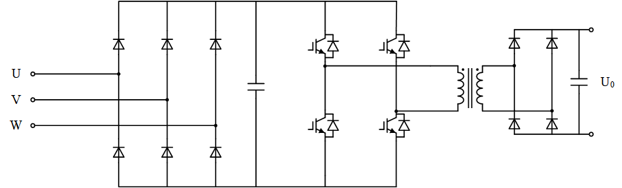
拓扑结构

产品选型推荐
| 型号 | 电压(V) | 电流(A) | 封装 | 拓扑 |
| MMG40S120B6UC | 1200 | 40 | GS | B |
| MMG50S120B6UC | 1200 | 50 | GS | B |
| MMG75S120B6UC | 1200 | 75 | GS | B |
| MMG100S120B6UC | 1200 | 100 | GS | B |
| MMG150S120B6UC | 1200 | 150 | GS | B |
| MMG150D120B6UC | 1200 | 150 | GD | B |
| MMG200D120B6UC | 1200 | 200 | GD | B |
| MMG300D120B6UC | 1200 | 300 | GD | B |
| MMF200N120DK | 1200 | 200 | FN | DK |
| MMF200N070DK | 700 | 200 | FN | DK |
| MMF150S060DK | 600 | 150 | FS | DK |
| MMF200S060DK | 600 | 200 | FS | DK |
| MMF200S120DK | 1200 | 200 | FS | DK |
| MMF300S060DK | 600 | 300 | FS | DK |
| MMF150S120DK | 1200 | 150 | FS | DK |