新能源发电 新能源发电

储能逆变器

  • 行业需求
  • 行业应用方案
  • 产品选型推荐

行业需求

IGBT 模块作为储能逆变器中的核心组件,扮演着至关重要的角色。其出色的电力转换效率、高可靠性和长寿命特性,为储能逆变器提供了稳定、高效的电能转换能力,从而确保了储能系统的稳定运行和能源的有效利用。随着储能技术的不断进步和市场的快速发展,储能逆变器行业对功率 IGBT 模块的需求将持续增长,推动两者之间的协同发展。

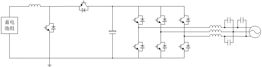
行业应用方案

拓扑结构

储能逆变器拓扑图


产品选型推荐

型号 电压(V) 电流(A) 封装 拓扑
MMG150B065PD6TC 650 150 GB PD
MMG450WB120B6TC 1200 450 GWB B
MMG600WB120B6T6 1200 600 GWB B
MMG300WB120TLB6TC 1200 300 GWB TLB
MMG300WB120TLA6TC 1200 300 GWB TLA
MMG150CE065PD6TC 650 150 GCE PD
MMG150CE065PD6T6 650 150 GCE PD
MMG200CE065PD6T5 650 200 GCE PD
MMG560WQ120BF6T7 1200 560 GWQ BF
MM75G3T65B 650 75 TO-247-3L /
MM120G3T65BM 650 120 TO-247 Plus-3L /
MM15G3T120B 1200 15 TO-247-3L /
MM25G3T120B 1200 25 TO-247-3L /
MM40G3T120B 1200 40 TO-247-3L /
MM50G3T120BM 1200 50 TO-247 Plus-3L /
MM40G3U65B 650 40 TO-247-3L /
MM50GBU65B 650 50 TO-247-3L /
MM60G3U65B 650 60 TO-247-3L /
MM25G3U120BX 1200 25 TO-247-3L /
MM40G3U120BX 1200 40 TO-247-3L /
MM50G3U120BMX 1200 50 TO-247 Plus-3L /
MM75G5U65BX 650 75 TO-247-3L /
MM75G5U65BKX 650 75 TO-247-4L /
MM40G5U120BX 1200 40 TO-247-3L /
MM75G5U120BM 1200 75 TO-247 Plus-3L /
MM75G5U120BKM 1200 75 TO-247 Plus-4L /
MM75G5T65B 650 75 TO-247-3L /
MM100G5T65B 650 100 TO-247-3L /
MM140G7U120BKM 1200 140 TO-247 Plus-4L /